全自动大型分体式低NOx燃气燃烧器

◎ 烟气外循环(FGR),分层燃烧,NOx排放≤30mg/Nm3
◎ 适用于15~80T/H锅炉
◎ 燃烧器火焰几何尺寸可调节,已适应不同的炉膛尺寸要求
◎ 全电子式比例调节,高调节精度,高燃烧效率
◎ 分体式设计,风机的选配和安装灵活,可适用不同背压的加热装置
◎ 空气动力学设计,运行噪声低
◎ 燃气压力保护,空气压力保护
◎ 燃气泄露自动检测,双重燃气阀组
◎ 安全的火焰监测系统
◎ 对炉膛进行预吹扫
◎ 燃烧器停机时,风门自动关闭
◎ 安装、调试及保养方便
◎ 可简单的换用不同类型的燃气(换用其他类型燃气,燃烧器参数将发生变化,详情请向燃烧器技术部门咨询 )

全自动大型分体式低NOx燃气燃烧器
  • 产品详情
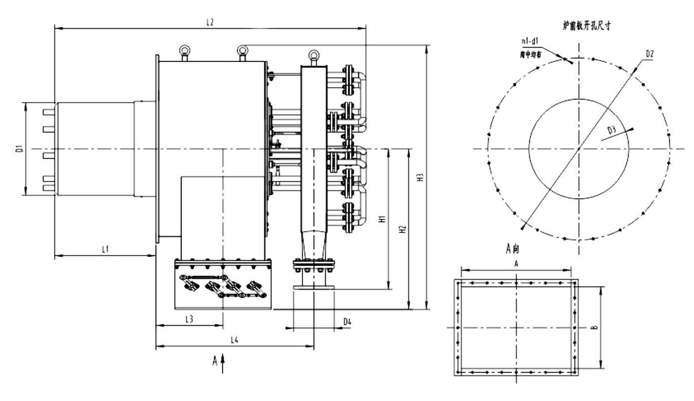
 安装尺寸
 



 机型与技术参数
 
型号 最大功率MW 电源 锅炉T/H
THG105LN/FGR 14
380V 3/N/PE 50Hz
15
THG140LN/FGR
18.6
380V 3/N/PE 50Hz
20
THG175LN/FGR
23.2
380V 3/N/PE 50Hz
25
THG210LN/FGR
27.8
380V 3/N/PE 50Hz
30
THG245LN/FGR
32.5
380V 3/N/PE 50Hz
35
THG280LN/FGR
37.2
380V 3/N/PE 50Hz
40
THG350LN/FGR
42
380V 3/N/PE50Hz
50
THG420LN/FGR
50
380V3/N/PE50Hz
60
THG560LN/FGR 65 380V 3/N/PE 50Hz 80



型号 D1 D2 D3 n1-d1 D4 L1 L2 L3 L4 H1 H2 H3 AxB
THG105LN/FGR 543
878 590 16-M20 DN125 600 1940 423 1017 720 932 1409 537x450
THG140LN/FGR 645 1258 690 20-M16 DN150 700 2160 464 1093 972 1110 1824 758 x566
THG175LN/FGR 693 1298 740 20-M16 DN150 700 2160 464 1093 972 1110 1824 758 x566
THG210LN/FGR 754 1620 810 20-M20 DN150 800 2700 643 1463 1157 1376 2242 902x780
THG245LN/FGR 834 1620 880 20-M20 DN150 800 2700 643 1463 1157 1376 2242 902x780
THG280LN/FGR 884 1620 930 20-M20 DN150 800 2700 643 1463 1157 1376 2242 902x780
THG350LN/FGR 940 1750 980 20-M20 DN200 1000 2820 664 1426 1254 1538 2463 1290x800
THG420LN/FGR 980 1750 1020 20-M20 DN250 1000 2820 664 1426 1254 1538 2643 1290x800
THG560LN/FGR 1080 2000 1120 24-M24 DN250 1000 3626 800 1604 1494 1746 2824 1600x1000
0510-85898287
电话
咨询
公众号
微信
微信