全自动一体式超低NOx燃气燃烧器

◎ 创新的燃烧头设计,烟气外循环(FGR),NOx排放≤30mg/Nm3
◎ 适用于0.5~10T/H锅炉
◎ 全电子式比例调节,高调节精度,高燃烧效率
◎ 空气动力学设计,运行噪声低
◎ 燃气压力保护,空气压力保护
◎ 燃气泄露自动检测,双重燃气阀组
◎ 安全的火焰监测系统
◎ 对炉膛进行预吹扫
◎ 燃烧器停机时,风门自动关闭
◎ 安装、调试及保养方便
◎ 可简单的换用不同类型的燃气(换用其他类型燃气燃烧器参数将发生变化,详情请向燃烧器技术部门咨询)

全自动一体式超低NOx燃气燃烧器
  • 产品详情
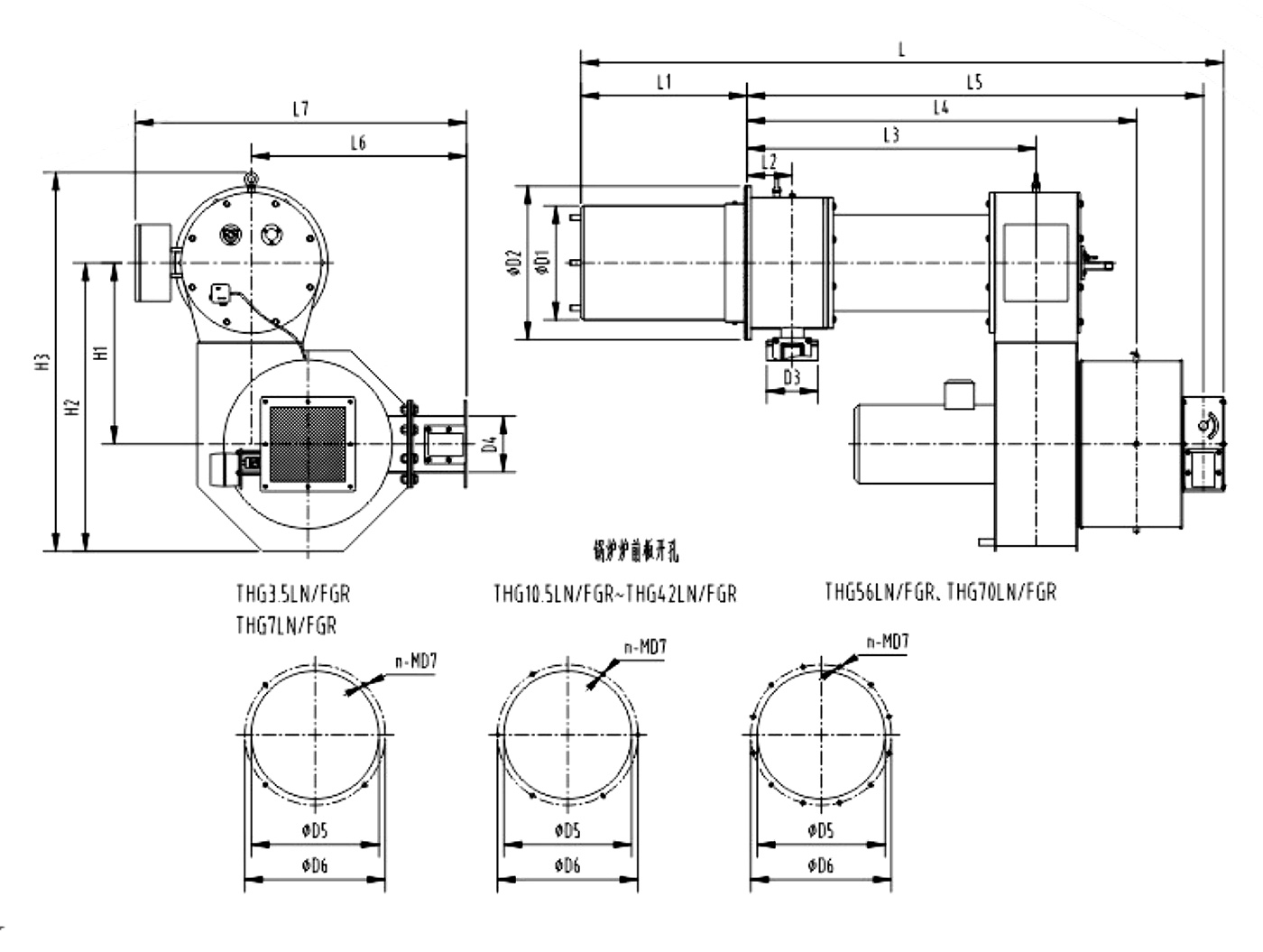
 安装尺寸
 



 机型与技术参数
 
型号 额定功率MW 鼓风机电动机功率kW 电源 锅炉T/H
THG3.5LN/FGR 450
1.5
380V 3/N/PE 50Hz 0.5
THG7LN/FGR
800
1.5
380V 3/N/PE 50Hz 1
THG10.5LN/FGR
1400
4
380V 3/N/PE 50Hz 1.5
THG14LN/FGR
1800
5.5
380V 3/N/PE 50Hz 2
THG28-1LN/FGR
2880
11
380V 3/N/PE 50Hz 3
THG28LN/FGR
3280
11
380V 3/N/PE 50Hz 4
THG42LN/FGR
4900
15
380V 3/N/PE 50Hz 6
THG56LN/FGR
6700
30
380V 3/N/PE 50Hz 8
THG70LN/FGR 9200 37 380V 3/N/PE 50Hz 10



型号 L L1 L2 L3 L4 L5 L6 L7 H1 H2 H3 D1 D2 D3 D4 D5 D6 n-MD7
THG3.5LN/FGR 1450
420 100 541 739 597 957 957 477 813 1070 180 330 DN40 DN80 210 298 4-M12
THG7LN/FGR 1540 420 100 603 828 610 610 1100 560 875 1170 200 385 DN50 DN80 250 335 4-M12
THG10.5LN/FGR 1720 480 119 720 934 637 637 1054 617 966 1280 279 445 DN65 DN100 320 395 6-M12
THG14LN/FGR 1730 480 119 728 949 660 660 1077 617 1000 1314 279 445 DN65 DN100 320 395 6-M12
THG28-1LN/FGR 2100 580 148 875 1132 825 825 1248 703 1120 1459 360 530 DN80 DN150 410 480 6-M12
THG28LN/FGR 2115 580 148 883 1147 860 860 1300 689 1149 1488 360 530 DN80 DN150 410 480 6-M12
THG42LN/FGR 2470 650 172 1130 1493 846 846 1300 710 1130 1484 447 600 DN80 DN200 500 550 6-M16
THG56LN/FGR 2450 627 186 1134 1466 1047 1047 1587 740 1250 1679 508 720 DN100 DN200 570 680 12-M16
THG70LN/FGR 2660 627 186 1210 1650 954 954 1494 820 1320 1749 538 720 DN100 DN250 570 680 12-M16
0510-85898287
电话
咨询
公众号
微信
微信